Riempire il carrello BIM dal catalogo prodotti

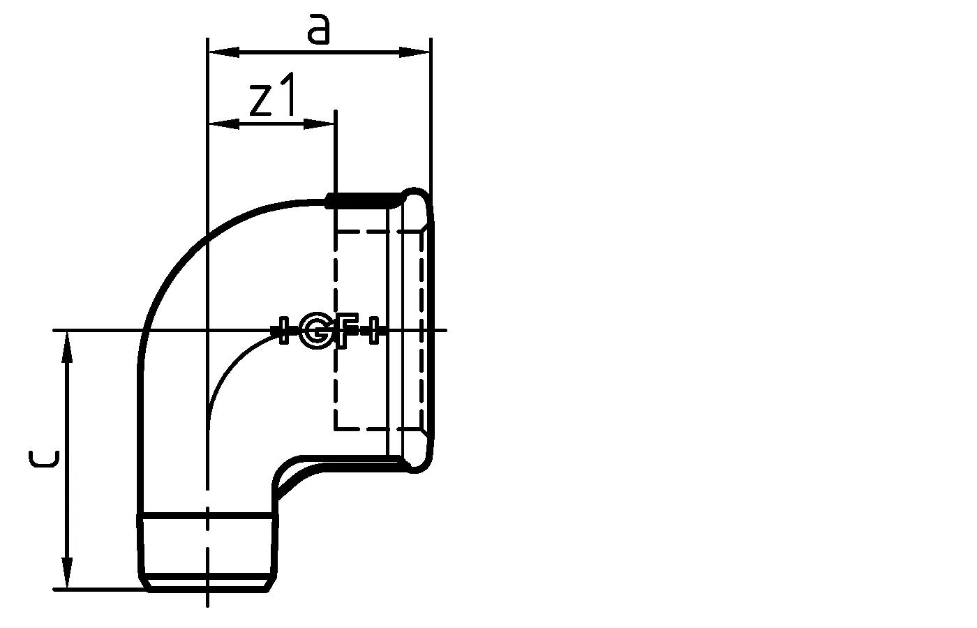
GF Malleable Fittings gomito ridotto 92 90deg 1 1/2 - 1 B

GF Malleable Fittings gomito ridotto 92 90deg 1 1/2 - 1 B
Parte numero1153035

Dettagli articolo

Dimensioni

Item_UOMSt.
Lunghezza unità articolo64
Larghezza unità articolo93
Altezza unità articolo62
Peso unitario dell'articolo0,408

Packaging

FieldPL1PL4
Altezza imballo200 729
GTIN imballaggio07611205108380 06414900183956
Larghezza imballo190 800
Lunghezza imballo260 1200
Peso imballo8,374 460,64
Quantità imballo20 1080
Tipo di imballaggioBase_Box Pallet
Volume di imballaggio0,00988 0,69984

Product code

Item no RSK1306070
Item no GTIN07611205308384
Item no EAN7611205308384
Item no GF770092121
Item no VVS004092158