Riempire il carrello BIM dal catalogo prodotti

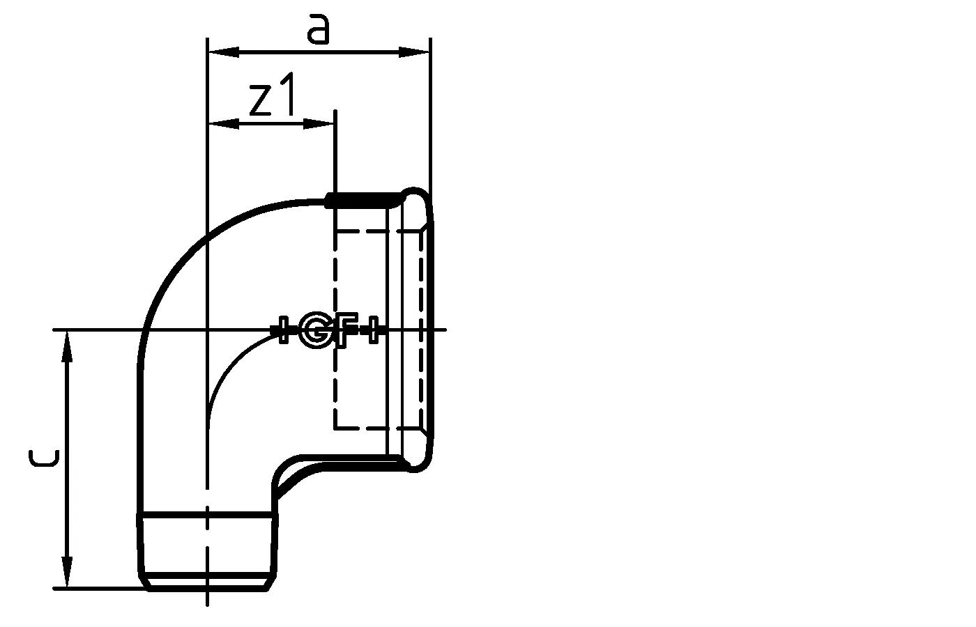
GF Malleable Fittings gomito ridotto 92 90deg 1 1/4 - 3/4 G

GF Malleable Fittings gomito ridotto 92 90deg 1 1/4 - 3/4 G
Parte numero1153057

Dettagli articolo

Dimensioni

Larghezza unità articolo79
Peso unitario dell'articolo0,308
Item_UOMSt.
Lunghezza unità articolo58
Altezza unità articolo55

Packaging

FieldPL1PL4
Altezza imballo200 729
GTIN imballaggio07611205208349 06414900186704
Larghezza imballo190 800
Lunghezza imballo260 1200
Peso imballo12,534 685,28
Quantità imballo40 2160
Tipo di imballaggioBase_Box Pallet
Volume di imballaggio0,00988 0,69984

Product code

Item no GTIN07611205408343
Item no VVS004092450
Item no RSK1306066
Item no EAN7611205408343
Item no GF770092219