Dettagli articolo
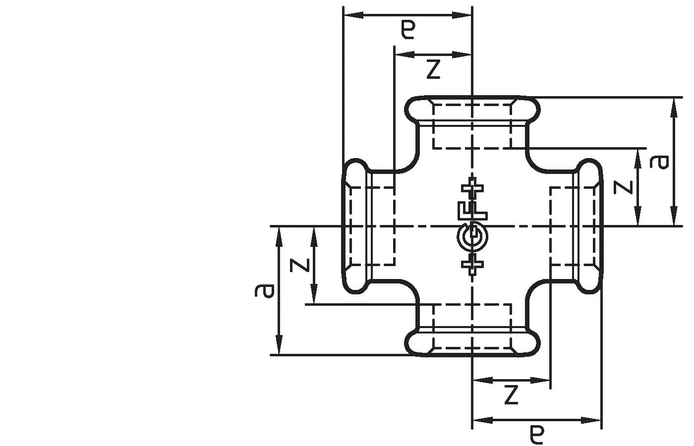
Dimensioni
| Larghezza unità articolo | 100 |
|---|---|
| Peso unitario dell'articolo | 0,841 |
| Item_UOM | St. |
| Lunghezza unità articolo | 100 |
| Altezza unità articolo | 62 |
Packaging
| Field | PL1 | PL4 |
|---|---|---|
| Altezza imballo | 200 | 729 |
| GTIN imballaggio | 07611205121884 | 06414900123150 |
| Larghezza imballo | 190 | 800 |
| Lunghezza imballo | 260 | 1200 |
| Peso imballo | 6,942 | 383,312 |
| Quantità imballo | 8 | 432 |
| Tipo di imballaggio | Base_Box | Pallet |
| Volume di imballaggio | 0,00988 | 0,69984 |
Product code
| Item no GTIN | 07611205321888 |
|---|---|
| Item no VVS | 004180111 |
| Item no RSK | 1280215 |
| Item no GF | 770180108 |
| Item no NRF | 1366737 |
| Item no EAN | 7611205321888 |
| Item no NOBB | 60639005 |