Dettagli articolo
Dimensioni
| Lunghezza unità articolo | 85 |
|---|---|
| Item_UOM | St. |
| Larghezza unità articolo | 65 |
| Peso unitario dell'articolo | 0,116 |
| Altezza unità articolo | 115 |
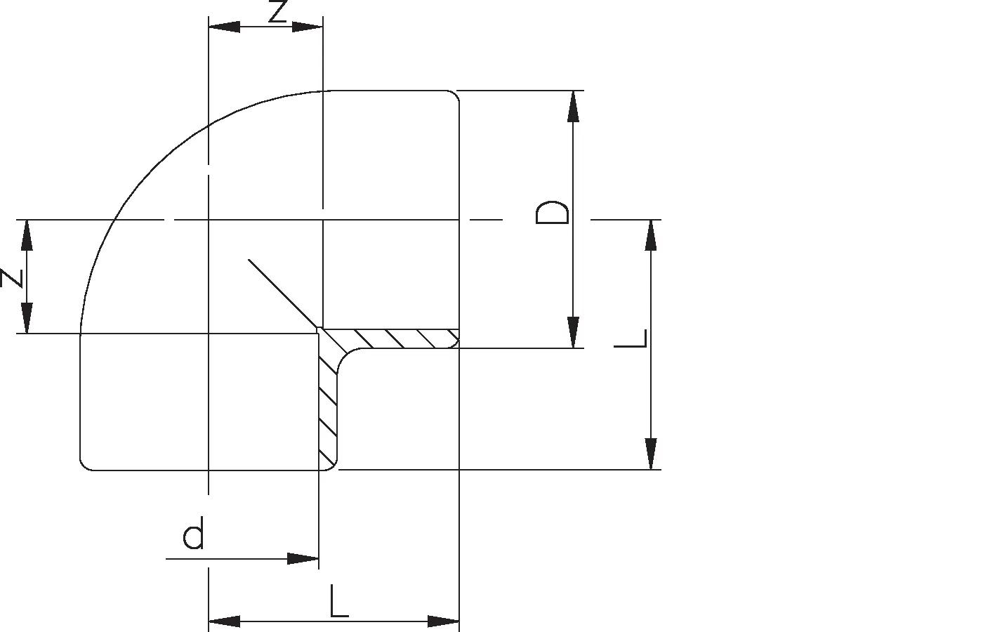
Measurements
| Z | 26 |
|---|---|
| LUNGHEZZA_L | 51 |
Packaging
| Field | PL1 | PL4 |
|---|---|---|
| Altezza imballo | 345 | 950 |
| GTIN imballaggio | 06414900132725 | 06414900132732 |
| Larghezza imballo | 130 | 800 |
| Lunghezza imballo | 85 | 1200 |
| Peso imballo | 0,59 | 153,6 |
| Quantità imballo | 5 | 1200 |
| Tipo di imballaggio | Plastic_Bag | Pallet |
| Volume di imballaggio | 0,00381225 | 0,912 |
Product code
| Item no GTIN | 07611205822903 |
|---|---|
| Item no EAN | 7611205822903 |
| Item no RSK | 1874792 |
| Item no GF | 761066605 |