Riempire il carrello BIM dal catalogo prodotti

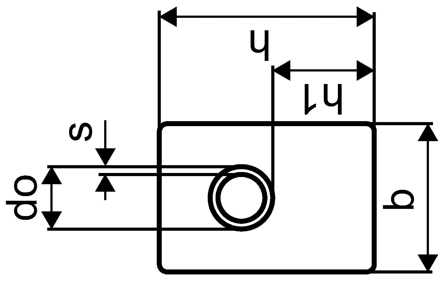
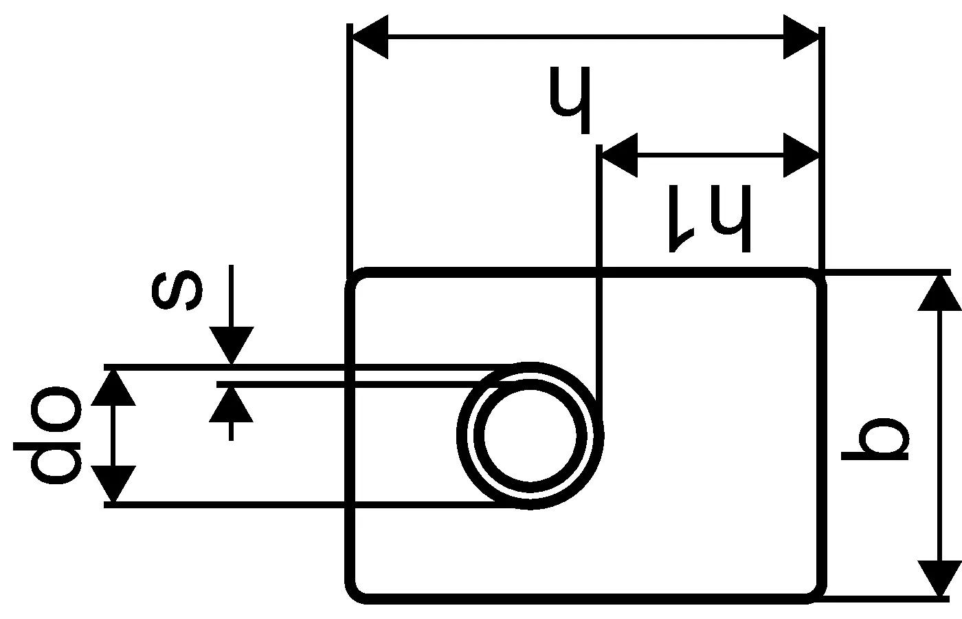
Uponor Uni Pipe PLUS bianco isolato DHS26

Uponor Uni Pipe PLUS bianco isolato DHS26

Dettagli articolo

Uponor Uni Pipe PLUS bianco isolato DHS26 16x2,0 blue 25m
Uponor Uni Pipe PLUS bianco isolato DHS26 20x2,25 blue 25m

Documenti

Rapporto di installazione
116 B1120119

Rapporto di installazione MLC leak test report TW water (1120119)

Rapporto di installazione
127 B1120120

Rapporto di installazione MLC flushing protocol TW water (1120120)

Rapporto di installazione
110 B1120118

Rapporto di installazione MLC leak test report TW air-gas (1120118)

Informazioni

Specifiche

Uponor Uni Pipe PLUS
- Sauerstoffdiffusionsdichtes 5-Schicht-Verbundrohr (PE-RT - Haftvermittler - Aluminiumschicht -
Haftvermittler - PE-RT) mit SAC- und OWC-Technologie hergestellt
- DIN EN 13501-1 Brandklassifizierung: Klasse E
- Rohrenden mit abnehmbarem Hygieneverschluss nach DIN EN 806

Uponor MLC
- Sauerstoffdiffusionsdichtes Mehrschichtverbundrohr (PE-RT - Haftvermittler - Aluminiumschicht -
Haftvermittler- PE-RT)
- DIN EN 13501-1 Brandklassifizierung: Klasse E
- Rohrenden mit abnehmbarem Hygieneverschluss nach DIN EN 806

Application

- Einsatzbereich für Trinkwasser: Max. zulässige Dauerbetriebstemperatur von 0 °C bis 70 °C bei max.
Dauerbetriebsdruck von 10 bar, kurzzeitige Störfalltemperatur von 95 °C für max. 100 Std. Betriebsdauer.
- Einsatzbereich für Heizung: Max. zulässige Dauerbetriebstemperatur von 80 °C bei max. Dauerbetriebsdruck
von 10 bar, kurzzeitige Störfalltemperatur von 100 °C für max. 100 Stunden Betriebsdauer.

Certification

- DVGW
- ÖVGW
- KIWA/KOMO

Disegni del prodotto

1063561_ZMD
1063561
130 B
1063562_ZMD
1063562
130 B
1063561_LAB
1063561
37 B
1063562_LAB
1063562
37 B
1063561_REN
1063561
260 B
1063561_REN
1063561
261 B
1063562_REN
1063562
261 B