Riempire il carrello BIM dal catalogo prodotti

Uponor Smart Aqua Flangiato femmina Q&E PL

Uponor Smart Aqua Flangiato femmina Q&E PL

Dettagli articolo

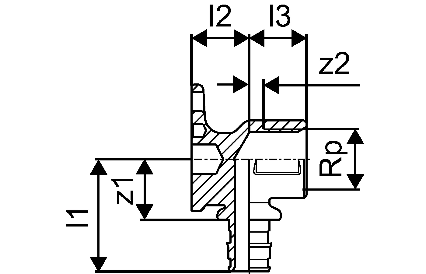
Uponor Smart Aqua Flangiato femmina Q&E PL 16-Rp1/2"FT
Uponor Smart Aqua Flangiato femmina Q&E PL 20-Rp1/2"FT

Documenti

Manuale di installazione
1 KB1121763

Manuale di installazione Q&E 9,9-50 (1121763)

Informazioni tecniche
1 KB1118689

Informazioni tecniche PE-Xa piping systems (1118689)

Informazioni

Specifiche

- Wandscheiben und Armaturenanschlüsse zur Auf- und Unterputzmontage
- Q&E Sicherungsringe müssen separat bestellt werden
- Außen- und Innengewinde nach DIN EN 10226-1

Application

- Für die Trinkwasserinstallation

Disegni del prodotto

1059822_ZMD
1059822
158 B
1059823_ZMD
1059823
158 B
1059822_REN
1059822
484 B
1059822_REN
1059822
141 B
1059823_REN
1059823
141 B
1059822_LAB
1059822
144 B
1059823_LAB
1059823
144 B