Riempire il carrello BIM dal catalogo prodotti

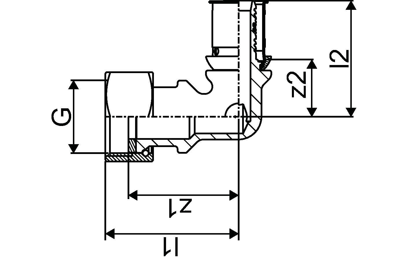
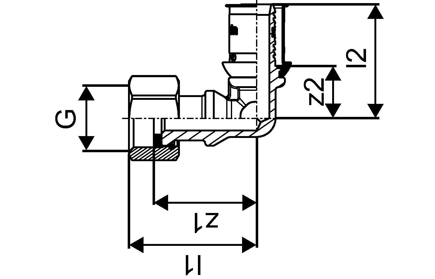
Uponor S-Press PLUS Gomito girello femm

- ottone DR stagnato e bussola in acciaio inox
- indicatore unico di pressata
- installazione rapida in 3 fasi - taglio tubazione, inserimento raccordo, pressatura (nessuna sbavatura, nessuna calibratura)
- codice QR innovativo per un accesso digitale immediato
- connettore a dado girevole per il collegamento a raccordi a parete, filtri e valvole di intercettazione
- filetto in acc. EN ISO 228-1
- conformi al Decreto Ministeriale n. 174 del 6 aprile 2004

Uponor S-Press PLUS Gomito girello femm

Dettagli articolo

Uponor S-Press PLUS Gomito girello femm 16-G1/2"SN
Uponor S-Press PLUS elbow swivel nut 16-G3/4"SN
Uponor S-Press PLUS Gomito girello femm 20-G1/2"SN
Uponor S-Press PLUS elbow swivel nut 20-G3/4"SN
Uponor S-Press PLUS Gomito girello femm 25-G3/4"SN

Documenti

Rapporto di installazione
116 B1120119

Rapporto di installazione MLC leak test report TW water (1120119)

Rapporto di installazione
127 B1120120

Rapporto di installazione MLC flushing protocol TW water (1120120)

Rapporto di installazione
110 B1120118

Rapporto di installazione MLC leak test report TW air-gas (1120118)

Informazioni

Specifiche

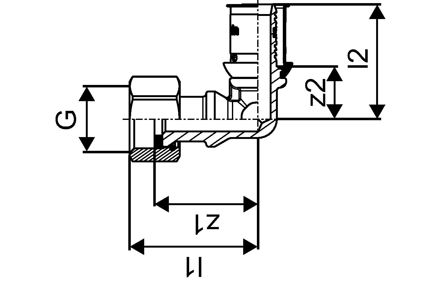
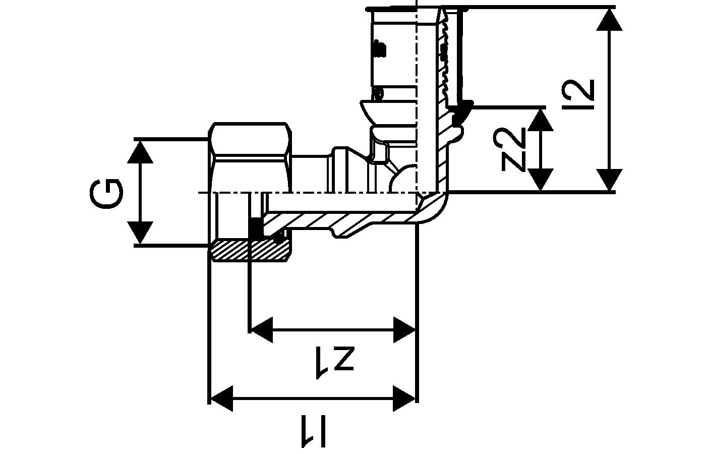
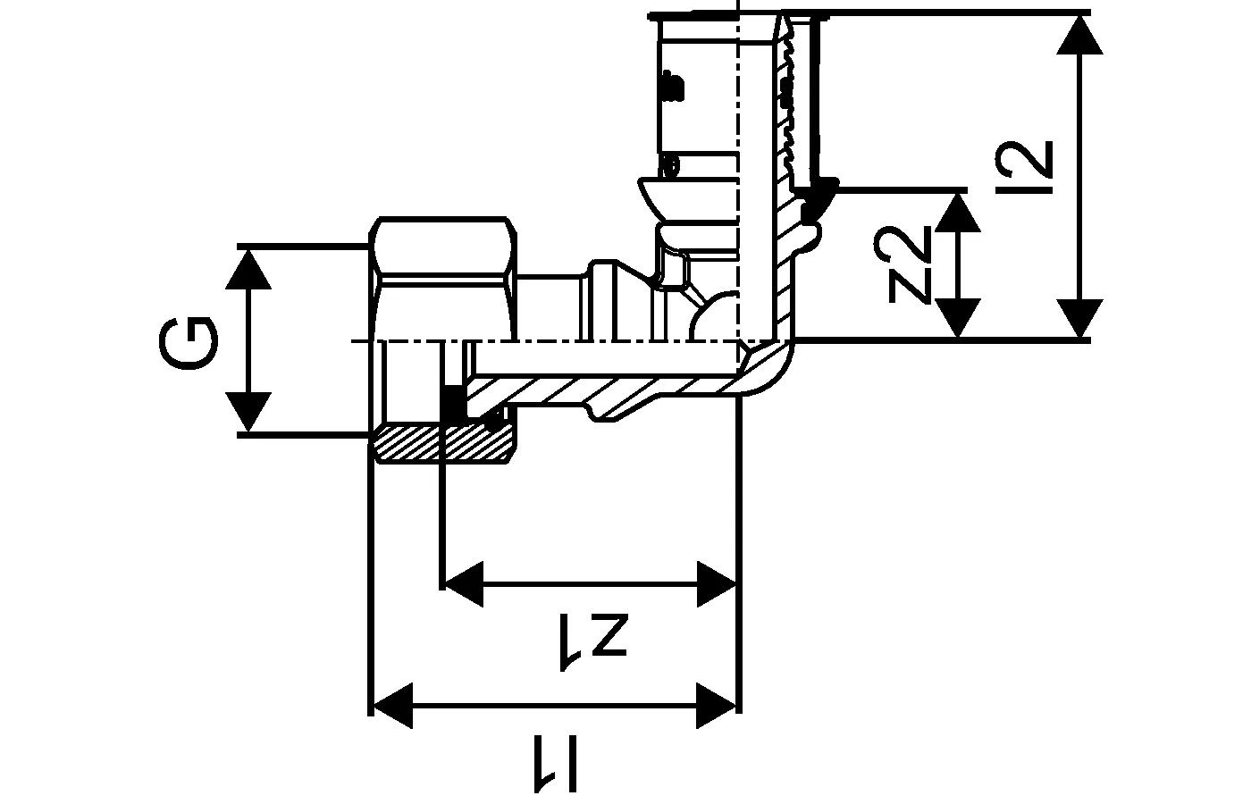
- Fixierte Presshülse aus Edelstahl mit Sichtfenster
- Sichere Pressbackenführung
- Bewährte Prüfsicherheit „unverpresst undicht"
- 100 % kompatibel zu bestehenden Uponor Komponenten
- Außen- und Innengewinde nach DIN EN 10226-1

Application

- Einsatzbereich für Trinkwasser: Max. zulässige Dauerbetriebstemperatur von 0 °C bis 70 °C bei max. Dauerbetriebsdruck
von 10 bar, kurzzeitige Störfalltemperatur von 95 °C für max. 100 Std. Betriebsdauer.
- Einsatzbereich für Heizung: Max. zulässige Dauerbetriebstemperatur von 80 °C bei max. Dauerbetriebsdruck von 10 bar,
kurzzeitige Störfalltemperatur von 100 °C für max. 100 Stunden Betriebsdauer.

Certification

- DVGW
- ÖVGW
- KIWA / KOMO

Disegni del prodotto

1070612_ZMD
1070612
148 B
1070613_ZMD
1070613
148 B
1070614_ZMD
1070614
148 B
1105818_ZMD
1105818
147 B
1105819_ZMD
1105819
148 B
1070612_LAB
1070612
87 B
1070613_LAB
1070613
87 B
1070614_LAB
1070614
87 B
1105818_LAB
1105818
87 B
1105819_LAB
1105819
87 B
1070612_REN
1070612
114 B
1070613_REN
1070613
116 B
1070614_REN
1070614
131 B