Riempire il carrello BIM dal catalogo prodotti

Uponor S-Press PLUS Diritto femm pass

- ottone DR stagnato e bussola in acciaio inox
- indicatore unico di pressata
- installazione rapida in 3 fasi - taglio tubazione, inserimento raccordo, pressatura (nessuna sbavatura, nessuna calibratura)
- codice QR innovativo per un accesso digitale immediato
- conformi al Decreto Ministeriale n. 174 del 6 aprile 2004

Uponor S-Press PLUS Diritto femm pass

Dettagli articolo

Uponor S-Press PLUS Diritto femm pass 16-G1/2"FT

Documenti

Rapporto di installazione
116 B1120119

Rapporto di installazione MLC leak test report TW water (1120119)

Rapporto di installazione
127 B1120120

Rapporto di installazione MLC flushing protocol TW water (1120120)

Rapporto di installazione
110 B1120118

Rapporto di installazione MLC leak test report TW air-gas (1120118)

Informazioni

Specifiche

- Fixierte Presshülse aus Edelstahl mit Sichtfenster
- Sichere Pressbackenführung
- Bewährte Prüfsicherheit „unverpresst undicht"
- 100 % kompatibel zu bestehenden Uponor Komponenten
- Außen- und Innengewinde nach DIN EN 10226-1

Application

- Einsatzbereich für Trinkwasser: Max. zulässige Dauerbetriebstemperatur von 0 °C bis 70 °C bei max. Dauerbetriebsdruck
von 10 bar, kurzzeitige Störfalltemperatur von 95 °C für max. 100 Std. Betriebsdauer.
- Einsatzbereich für Heizung: Max. zulässige Dauerbetriebstemperatur von 80 °C bei max. Dauerbetriebsdruck von 10 bar,
kurzzeitige Störfalltemperatur von 100 °C für max. 100 Stunden Betriebsdauer.

Certification

- DVGW
- ÖVGW
- KIWA / KOMO

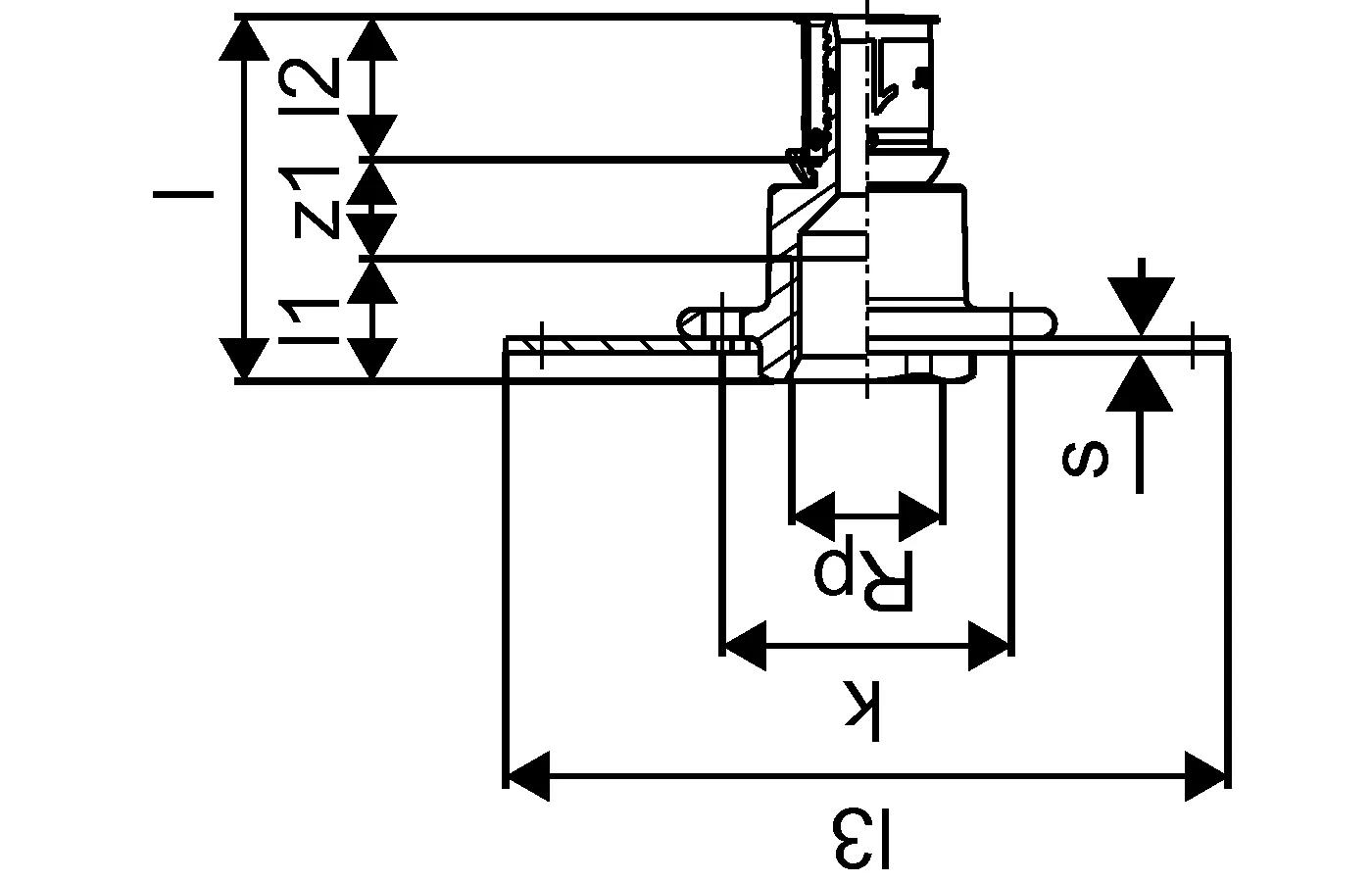
Disegni del prodotto

1070652_LAB
1070652
78 B
1070652_REN
1070652
376 B
1070652_REN
1070652
113 B
1070652_ZMD
1070652
148 B