Riempire il carrello BIM dal catalogo prodotti

Uponor S-Press PLUS adapter swivel nut

Uponor S-Press PLUS adapter swivel nut

Dettagli articolo

Uponor S-Press PLUS adapter swivel nut 16-G3/4"FT Euro

Documenti

Manuale di installazione
1 KB1062301

Manuale di installazione Uni Pipe PLUS (1062301)

Informazioni

Specifiche

- Fixierte Presshülse aus Edelstahl mit Sichtfenster
- Sichere Pressbackenführung
- Bewährte Prüfsicherheit „unverpresst undicht"
- 100 % kompatibel zu bestehenden Uponor Komponenten
- Außen- und Innengewinde nach DIN EN 10226-1

Application

- Einsatzbereich für Trinkwasser: Max. zulässige Dauerbetriebstemperatur von 0 °C bis 70 °C bei max. Dauerbetriebsdruck
von 10 bar, kurzzeitige Störfalltemperatur von 95 °C für max. 100 Std. Betriebsdauer.
- Einsatzbereich für Heizung: Max. zulässige Dauerbetriebstemperatur von 80 °C bei max. Dauerbetriebsdruck von 10 bar,
kurzzeitige Störfalltemperatur von 100 °C für max. 100 Stunden Betriebsdauer.

Certification

- DVGW
- ÖVGW
- KIWA / KOMO

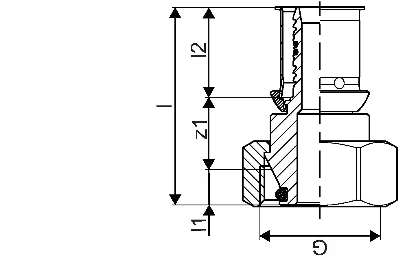
Disegni del prodotto

1141867_ZMD
1141867
158 B
1141867_REN
1141867
71 B