Riempire il carrello BIM dal catalogo prodotti

Uponor Q&E Adattatore S-Press

Uponor Q&E Adattatore S-Press

Dettagli articolo

Uponor Q&E Adattatore S-Press 40-Q&E14

Documenti

Manuale di installazione
1 KB1121763

Manuale di installazione Q&E 9,9-50 (1121763)

Manuale di installazione
1 KB1062301

Manuale di installazione Uni Pipe PLUS (1062301)

Informazioni tecniche
1 KB1118689

Informazioni tecniche PE-Xa piping systems (1118689)

Informazioni

Specifiche

- Q&E Fittings und Sicherungsringe für Uponor PE-Xa Rohre
- Metallfittings aus korrosionsbeständigem Messing
- Kunststofffittings aus PPSU (Polyphenylsulfon)
- Q&E Sicherungsringe müssen separat bestellt werden
- Außen- und Innengewinde nach DIN EN 10226-1

Application

- Fittingsystem für den Einsatzbereich von Heizungs- und Trinkwasser
- Max. Temperatur- und Druckbelastung: 95 °C / 6 bar / 10 bar

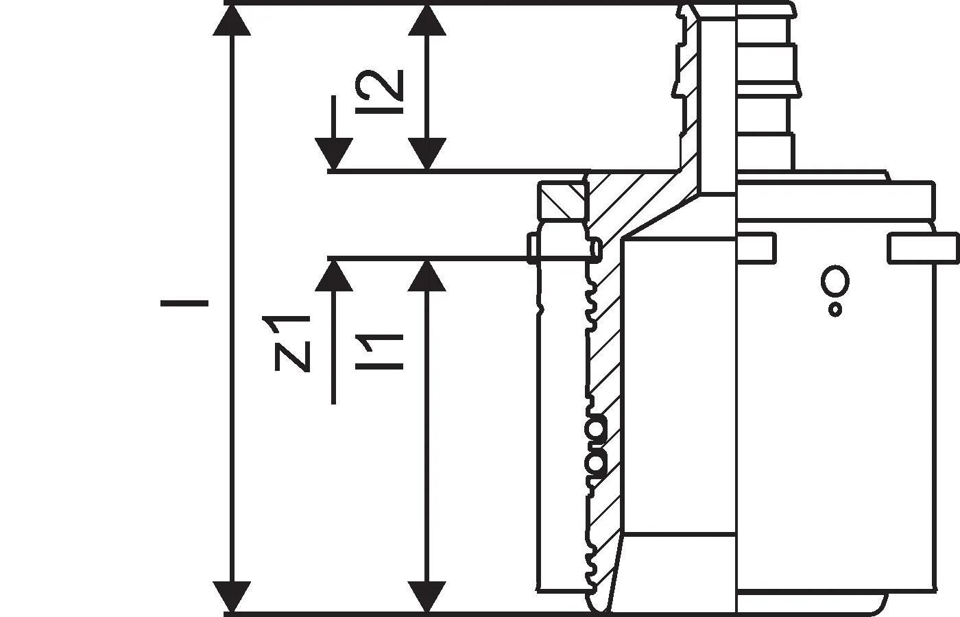
Disegni del prodotto

1063929_ZMD
1063929
148 B
1063929_LAB
1063929
88 B
1063929_REN
1063929
234 B
1063929_REN
1063929
97 B