Dettagli articolo
1162618 / - / -
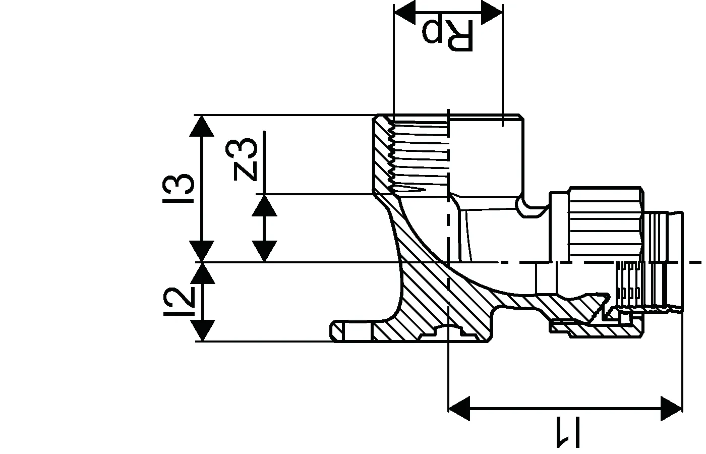
GF JRG valvola connessione singola d16x1/2"/35mm
Informazioni
Specifiche
· Die Rohr-in-Rohr-Technologie ermöglicht die direkte Verlegung der Rohre im Beton. · Das wasserführende Innenrohr mit den Dimensionen d12 und d16 kann bei Beschädigung aus dem Schutzmantel heraus ausgetauscht werden, ohne den Bodenbelag oder Wandplatten aufstemmen zu müssen
Application
- Anwendungsbereich Kalt- und Warmwasser, HLK, Druckluft, Grauwasser- Installation- Vor allem Unterputzleitungen von Verteilern bis zu den- Armaturenstandorten in Rohr-im-Rohr-Technik
Certification
- SVGW- KIWA
Disegni del prodotto
Z-drawing
Label drawings
Render
231 B
Download document198 B
Download document165 B
Download document132 B
Download document.jpg?sitename=Global&ext=.jpg&height=158)