Riempire il carrello BIM dal catalogo prodotti

Uponor S-Press PLUS Gomito femmina

- ottone DR stagnato e bussola in acciaio inox
- indicatore unico di pressata
- installazione rapida in 3 fasi - taglio tubazione, inserimento raccordo, pressatura (nessuna sbavatura, nessuna calibratura)
- codice QR innovativo per un accesso digitale immediato
- conformi al Decreto Ministeriale n. 174 del 6 aprile 2004

Uponor S-Press PLUS Gomito femmina

Dettagli articolo

Uponor S-Press PLUS Gomito femmina 16-Rp1/2"FT
Uponor S-Press PLUS Gomito femmina 20-Rp1/2"FT
Uponor S-Press PLUS Gomito femmina 20-Rp3/4"FT
Uponor S-Press PLUS Gomito femmina 25-Rp3/4"FT
Uponor S-Press PLUS Gomito femmina 25-Rp1"FT
Uponor S-Press PLUS Gomito femmina 32-Rp1"FT

Documenti

Rapporto di installazione
116 B1120119

Rapporto di installazione MLC leak test report TW water (1120119)

Rapporto di installazione
127 B1120120

Rapporto di installazione MLC flushing protocol TW water (1120120)

Rapporto di installazione
110 B1120118

Rapporto di installazione MLC leak test report TW air-gas (1120118)

Informazioni

Specifiche

- Fixierte Presshülse aus Edelstahl mit Sichtfenster
- Sichere Pressbackenführung
- Bewährte Prüfsicherheit „unverpresst undicht"
- 100 % kompatibel zu bestehenden Uponor Komponenten
- Außen- und Innengewinde nach DIN EN 10226-1

Application

- Einsatzbereich für Trinkwasser: Max. zulässige Dauerbetriebstemperatur von 0 °C bis 70 °C bei max. Dauerbetriebsdruck
von 10 bar, kurzzeitige Störfalltemperatur von 95 °C für max. 100 Std. Betriebsdauer.
- Einsatzbereich für Heizung: Max. zulässige Dauerbetriebstemperatur von 80 °C bei max. Dauerbetriebsdruck von 10 bar,
kurzzeitige Störfalltemperatur von 100 °C für max. 100 Stunden Betriebsdauer.

Certification

- DVGW
- ÖVGW
- KIWA / KOMO

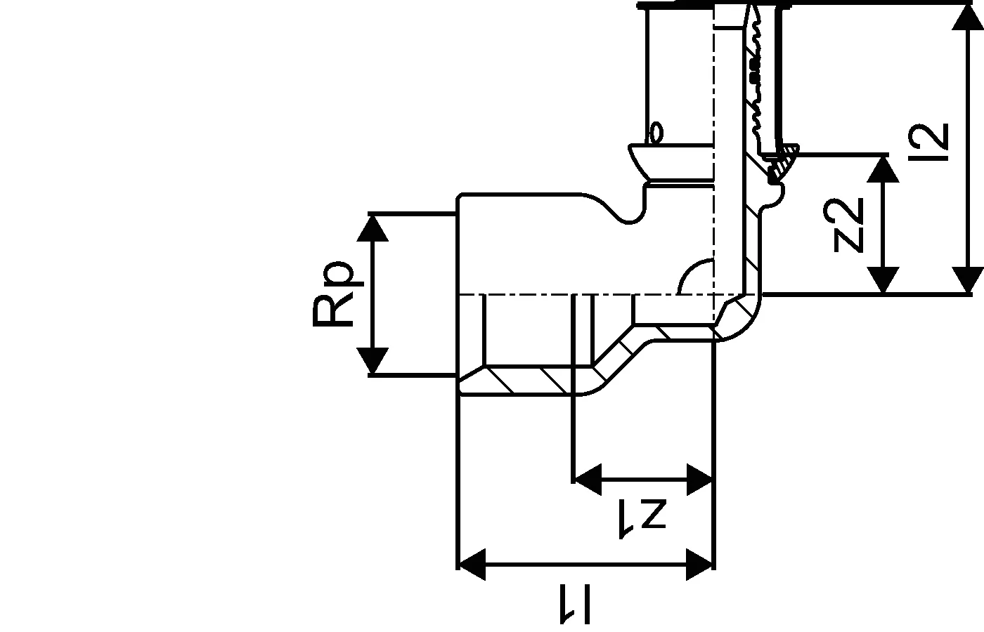
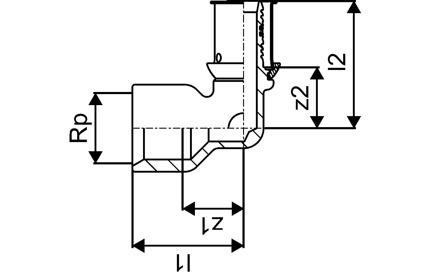
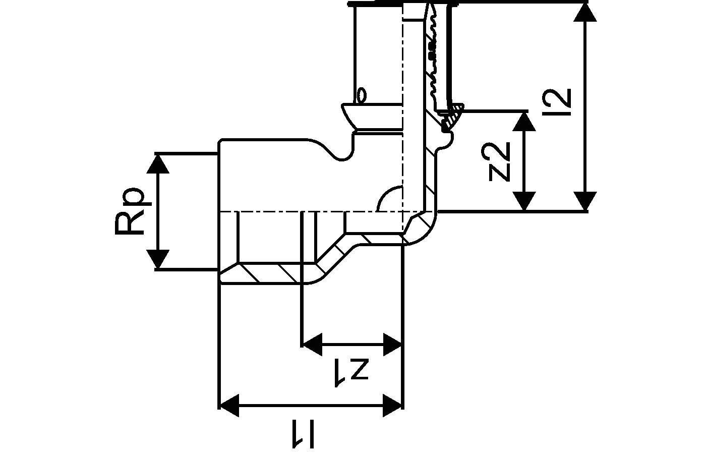
Disegni del prodotto

1070539_LAB
1070539
89 B
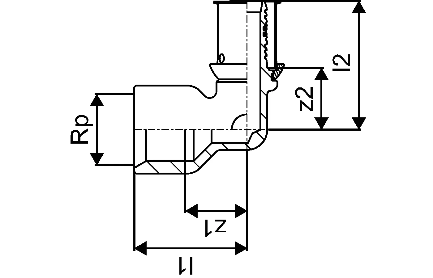
1070540_LAB
1070540
89 B
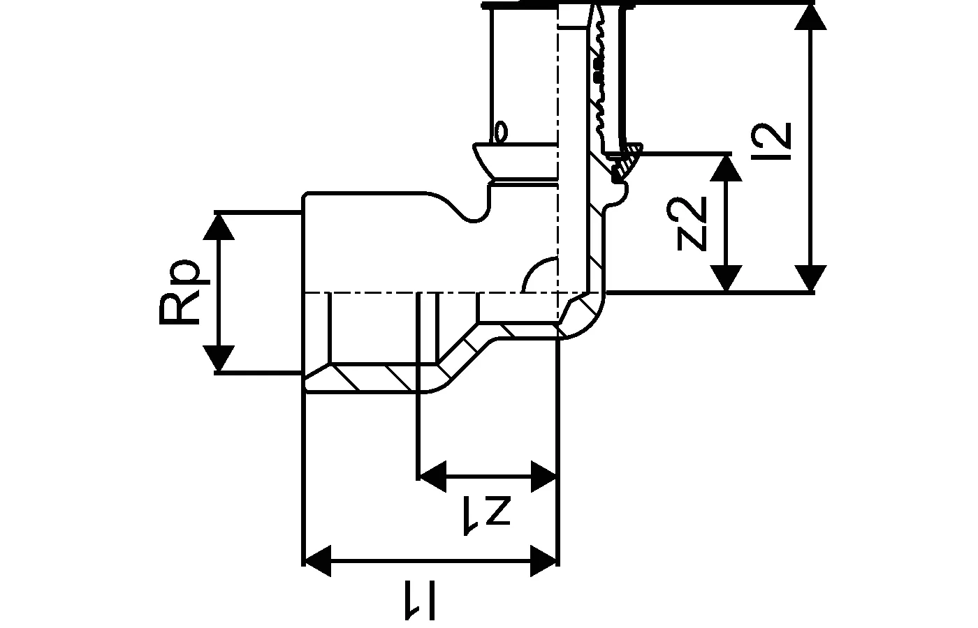
1070541_LAB
1070541
89 B
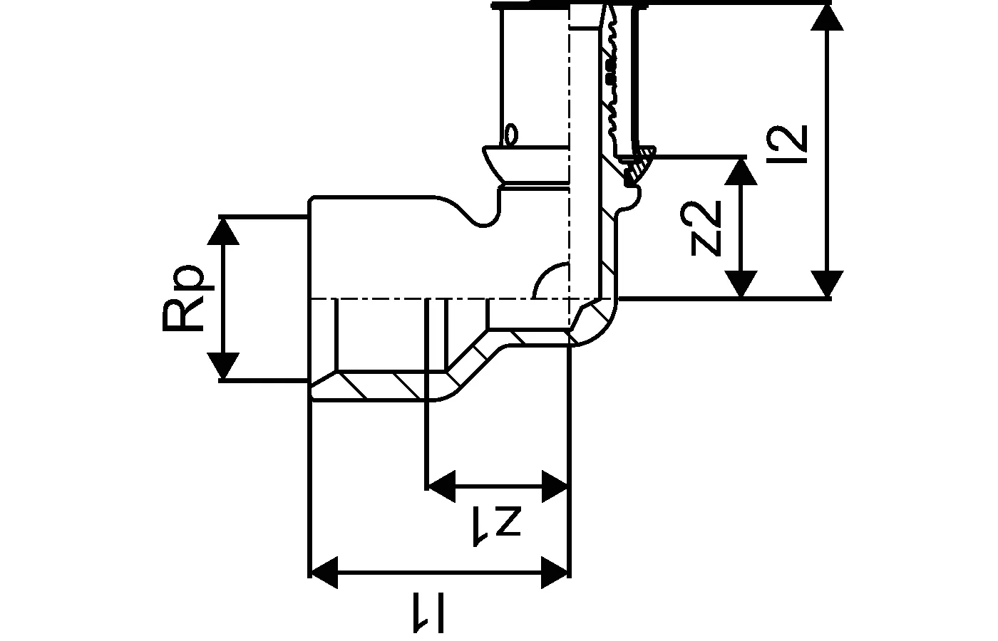
1070542_LAB
1070542
89 B
1070543_LAB
1070543
89 B
1070544_LAB
1070544
89 B
1070539_ZMD
1070539
118 B
1070540_ZMD
1070540
118 B
1070541_ZMD
1070541
118 B
1070542_ZMD
1070542
118 B
1070543_ZMD
1070543
118 B
1070544_ZMD
1070544
118 B
1070539_REN
1070539
539 B
1070539_REN
1070539
186 B
1070540_REN
1070540
50 B
1070541_REN
1070541
55 B
1070542_REN
1070542
54 B
1070543_REN
1070543
55 B
1070544_REN
1070544
53 B