Riempire il carrello BIM dal catalogo prodotti

GF Press-Fit T EQUAL 6130

GF Press-Fit T EQUAL 6130

Dettagli articolo

GF Press-Fit T EQUAL 6130 42
GF Press-Fit T EQUAL 6130 22
GF Press-Fit T EQUAL 6130 35
GF Press-Fit T EQUAL 6130 12
GF Press-Fit T EQUAL 6130 15
GF Press-Fit T EQUAL 6130 28
GF Press-Fit T EQUAL 6130 18
GF Press-Fit T EQUAL 6130 54

Informazioni

Specifiche

- Werkstoff: Pressfittings aus Kupfer und Siliziumbronze
- Kompatibel mit gängigen Presskonturen (SA, V, M bis zu definierten Nennweiten)
- „Push & Stay“-Funktion zur sicheren Fixierung vor dem Pressen
- Zertifiziert für Trinkwasserinstallationen
- Kaltes Verpressen vermeidet Brandgefahr bei der Montage

Application

- Verbindungen von Kupferrohrsystemen in der Gebäudetechnik
- Trinkwasserverteilung
- Heizungs- und Heizkörperkreisläufe
- Regenwasser- und Kühlwasserinstallationen
- Professionelle Anwendungen mit Presswerkzeugen

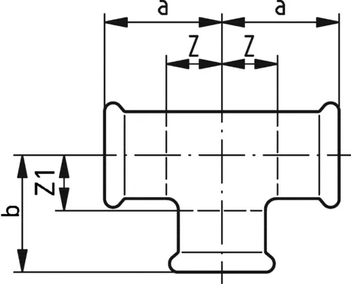
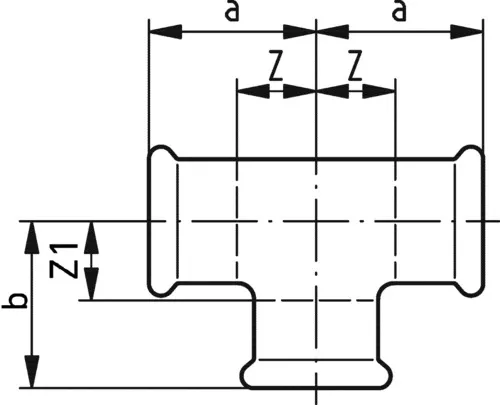
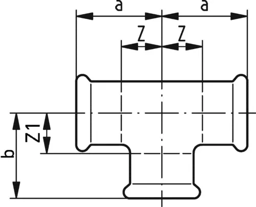
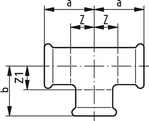
Disegni del prodotto

1163579_ZMD
1163579
20 B
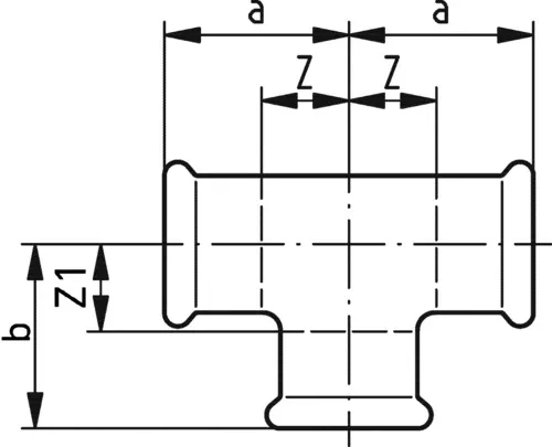
1163581_ZMD
1163581
20 B
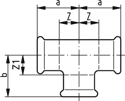
1163586_ZMD
1163586
20 B
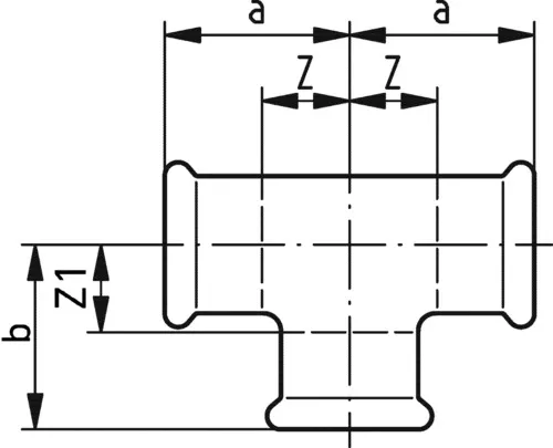
1163592_ZMD
1163592
20 B
1163601_ZMD
1163601
20 B
1163607_ZMD
1163607
20 B
1163615_ZMD
1163615
20 B
1163621_ZMD
1163621
20 B
1163579_PHO
1163579_PHO
61 B
1163581_PHO
1163581_PHO
61 B
1163586_PHO
1163586_PHO
61 B
1163592_PHO
1163592_PHO
61 B
1163601_PHO
1163601_PHO
61 B
1163607_PHO
1163607_PHO
61 B
1163615_PHO
1163615_PHO
61 B
1163621_PHO
1163621_PHO
61 B