Remplir le panier BIM à partir du catalogue de produits

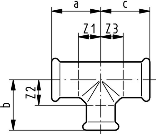
GF Press-Fit Tee reduced 6130 42-15-42

GF Press-Fit Tee reduced 6130 42-15-42
n° de partie1163616

Détails et variantes du produit

Dimensions

Article Poids unitaire0,228
Article Unité Largeur60
Article Unité Hauteur80
Item_UOMSt.
Article Unité Longueur110

Packaging

FieldPL2
Emballage GTIN06414900221436
Hauteur d'emballage80
Largeur d'emballage60
Longueur de l'emballage110
Poids de l'emballage0,228
Quantité d'emballage1
Type d'emballageBag
Volume d'emballage0,000528

Product code

Item no GTIN07611205843977
Item no EAN7611205843977
Item no GF767613063