Remplir le panier BIM à partir du catalogue de produits

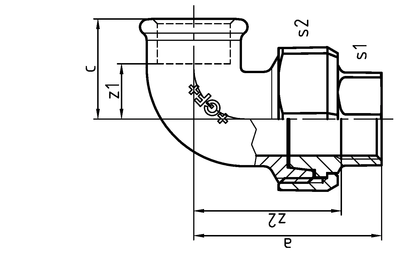
GF Malleable Fittings union elbow taper seat 96 1 B

GF Malleable Fittings union elbow taper seat 96 1 B
n° de partie1153110

Détails et variantes du produit

Dimensions

Item_UOMSt.
Article Unité Longueur68
Article Poids unitaire0,533
Article Unité Largeur95
Article Unité Hauteur55

Packaging

FieldPL1PL4
Emballage GTIN07611205109554 06414900183628
Hauteur d'emballage200 729
Largeur d'emballage190 800
Longueur de l'emballage260 1200
Poids de l'emballage13,5465 739,955
Quantité d'emballage25 1350
Type d'emballageBase_Box Pallet
Volume d'emballage0,00988 0,69984

Product code

Item no RSK1262450
Item no VVS004096108
Item no GTIN07611205309558
Item no EAN7611205309558
Item no GF770096106