Füllen Sie den BIM Warenkorb aus dem Produktkatalog

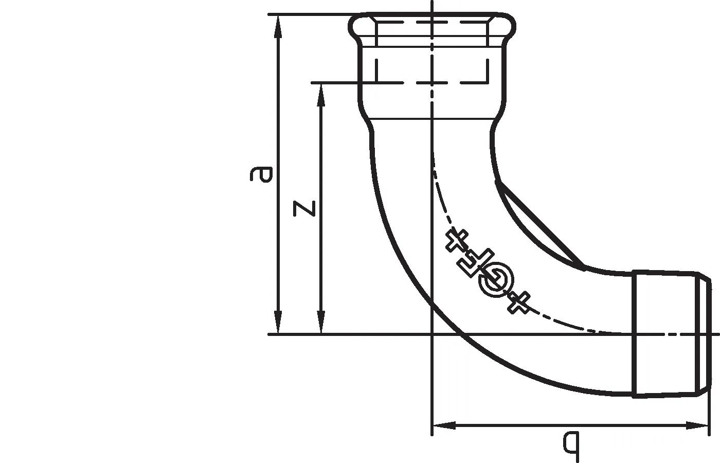
GF Malleable Fittings Langer Rohrkrümmer 1 90deg 2 G

GF Malleable Fittings Langer Rohrkrümmer 1 90deg 2 G
Teil Nr.1152747

Details

Dimension

Item_UOMSt.
Länge der Artikeleinheit170
Breite der Artikeleinheit168
Höhe der Artikeleinheit75
Gewicht der Artikeleinheit1,59

Packaging

Verpackungsmenge PL4270
Verpackung GTIN PL406414900069786
Verpackungshöhe PL4729
Verpackungslänge PL41200
Verpackungstyp PL4Pallet
Verpackungsband PL40,69984
Verpackungsgewicht PL4465,64
Verpackungsbreite PL4800
Verpackungsmenge PL110
Verpackung GTIN PL107611205200107
Verpackungshöhe PL1200
Verpackungslänge PL1385
Verpackungstyp PL1Base_Box
Verpackungsvolumen PL10,019635
Verpackungsgewicht PL116,32
Verpackungsbreite PL1255

Product code

Item no LVI0855005
Item no RSK1265230
Item no GTIN07611205400101
Item no GF770001209
Item no NRF1366549
Item no VVS004001412
Item no EAN7611205400101
Item no NOBB60638817