Füllen Sie den BIM Warenkorb aus dem Produktkatalog

GF Instaflex Winkelstück 90deg Socket Fusion d16

GF Instaflex Winkelstück 90deg Socket Fusion d16
Teil Nr.1152055

Details

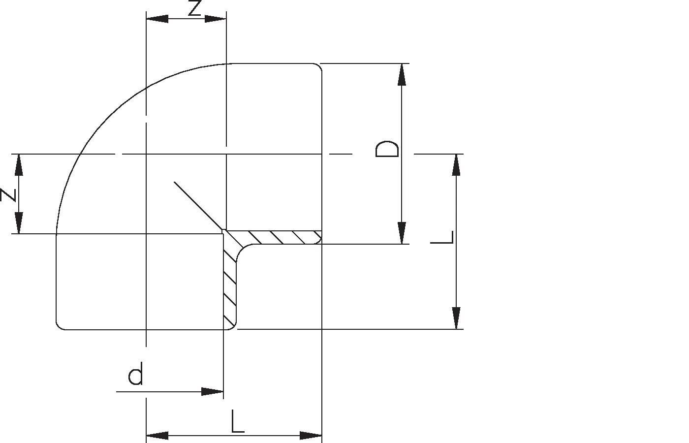
Dimension

Gewicht der Artikeleinheit0,014
Item_UOMSt.
Höhe der Artikeleinheit23
Länge der Artikeleinheit50
Breite der Artikeleinheit35

Measurements

LÄNGE_L25
Z10

Packaging

Verpackung GTIN PL106414900133524
Verpackungshöhe PL4800
Verpackungstyp PL4Pallet
Verpackungsgewicht PL4165,6
Verpackungsmenge PL110
Verpackungslänge PL41200
Verpackungsband PL40,768
Verpackungsbreite PL4800
Verpackungsmenge PL49600
Verpackungshöhe PL150
Verpackungstyp PL1Plastic_Bag
Verpackungsgewicht PL10,15
Verpackung GTIN PL406414900133531
Verpackungslänge PL1115
Verpackungsvolumen PL10,0006325
Verpackungsbreite PL1110

Product code

Item no GTIN07611205818609
Item no GF761066600
Item no RSK1874787
Item no EAN7611205818609

Dokumente

Zulassungsbescheinigung
43 B1162936

GF JRG CER Instaflex SYS MECH SVGW 8703-1961 CH DE