Füllen Sie den BIM Warenkorb aus dem Produktkatalog

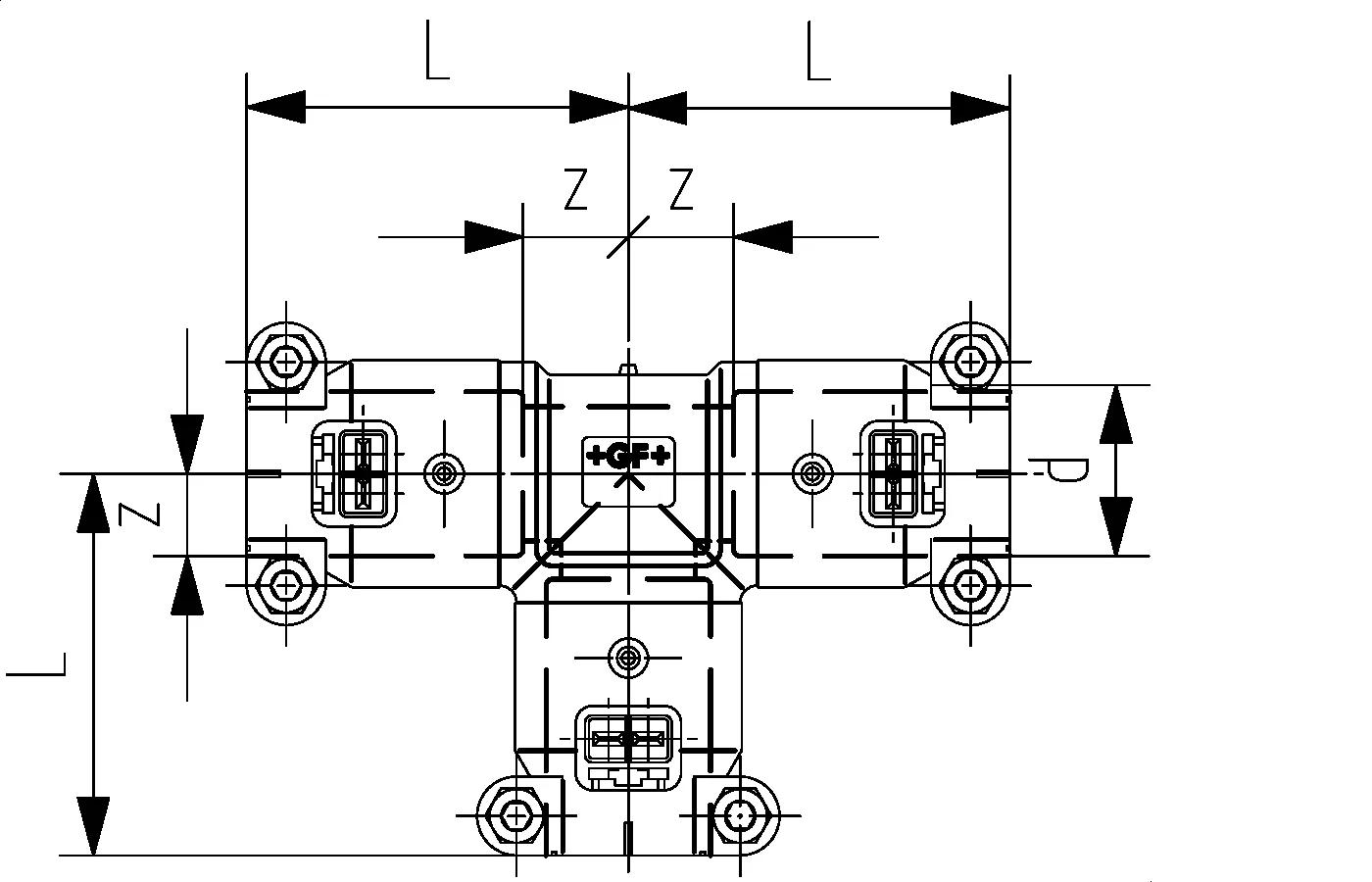
GF Instaflex T-Stück gleichseitig 90deg Electro Fusion d16

GF Instaflex T-Stück gleichseitig 90deg Electro Fusion d16
Teil Nr.1152323

Details

Dimension

Item_UOMSt.
Länge der Artikeleinheit94
Höhe der Artikeleinheit36
Gewicht der Artikeleinheit0,053
Breite der Artikeleinheit64

Measurements

Z10
LÄNGE_L47

Packaging

Verpackung GTIN PL106414900130653
Verpackungshöhe PL146
Verpackungslänge PL2390
Verpackungstyp PL4Pallet
Verpackungsgewicht PL10,06
Verpackungsbreite PL2250
Verpackungsmenge PL41800
Verpackungslänge PL1157
Verpackungstyp PL2Medium_Box
Verpackungsband PL41,008
Verpackungsbreite PL174
Verpackungsmenge PL11
Verpackung GTIN PL206414900130660
Verpackungshöhe PL2190
Verpackungslänge PL41200
Verpackungsvolumen PL10,000534428
Verpackungsgewicht PL23,26
Verpackungsbreite PL4800
Verpackungsmenge PL250
Verpackung GTIN PL406414900130677
Verpackungshöhe PL41050
Verpackungstyp PL1Plastic_Bag
Verpackungsband PL20,018525
Verpackungsgewicht PL4130

Product code

Item no LVI2075381
Item no EAN7611205823733
Item no GF761069237
Item no RSK1874670
Item no GTIN07611205823733

Dokumente

Zulassungsbescheinigung
43 B1162936

GF JRG CER Instaflex SYS MECH SVGW 8703-1961 CH DE