Füllen Sie den BIM Warenkorb aus dem Produktkatalog

GF Instaflex Reduzier-T-Stück 90deg MT d32

GF Instaflex Reduzier-T-Stück 90deg MT d32
Teil Nr.1152636

Details

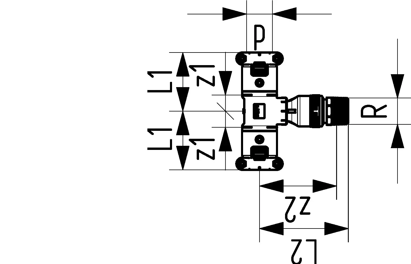
Dimension

Länge der Artikeleinheit54
Gewicht der Artikeleinheit0,246
Höhe der Artikeleinheit123
Item_UOMSt.
Breite der Artikeleinheit120

Measurements

Z280
z118
Länge (l2)97

Packaging

Verpackungshöhe PL187
Verpackungsgewicht PL10,272
Verpackungsmenge PL11
Verpackungslänge PL1156
Verpackungsbreite PL1143
Verpackungsvolumen PL10,001940796
Verpackung GTIN PL106414900113816
Verpackungstyp PL1Plastic_Bag

Product code

Item no GTIN07611205904357
Item no EAN7611205904357
Item no GF761069739

Dokumente

Zulassungsbescheinigung
43 B1162936

GF JRG CER Instaflex SYS MECH SVGW 8703-1961 CH DE